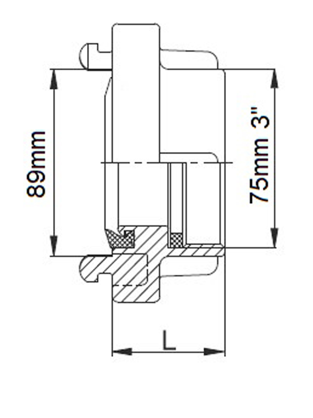
Stabilna spojka Ø75mm 3

Stabilna spojka Ø75mm 3" sa unutrašnjim navojem dizajnirana je za povezivanje creva za gašenje požara (75 mm -3 inča). Storz spojke brže su, pouzdanije i lakše se sastavljaju od navojnih cevi.
Spojka se koristi u vatrogastvu, za navodnjavanje, u industriji, poljoprivredi i u bašti. Odlikuje ih lagan i čvrst aluminijumski dizajn sa dvostrukim gumenim prstenom.
Za jednostavno zavrtanje postoje četiri izbočine za lako prijanjanje sa namenskim ključem za spajanje .
Postavite pitanje o ovom proizvodu

Menus Offcanvas